出国留学网专题频道物理练习题栏目,提供与物理练习题相关的所有资讯,希望我们所做的能让您感到满意!
考试栏目组小编为你提供了2019年初二中考物理练习题,一起来试试吧,试试自己可以做到什么程度,希望能够帮助到你考试,想知道更多相关资讯,请关注网站更新。
2019年初二中考物理练习题
1. 下列物体中,质量约为2 ×105mg的是:B
A、 一棵图钉
B、 一册初二物理课本
C、 一张课桌
D、 一把木椅
2、托盘天平的使用:对放在水平桌面上的天平进行调节。现将游码放在标尺的 零 刻度线处,若发现指针的位置在分度盘中央的左侧,要使横梁平衡,应将平衡螺母向 右 调节(填“左”或“右”)
3、夏天,使用空调器给房间降温,空调器中有水流出,这些水的来源是:A
A、 空气中的水蒸气遇冷液化产生的
B、 接上的水管流入机器,给工作时间太长的机器降温用的水
C、 空调器内水箱中流出的水
D、 空调器内机器工作太热,蒸发出来的水
4、把100mL的酒精和100mL的水混合后,总体积将 小于 200mL(选填“大于”、“小于”或“等于”),这种现象直观的说明了分子之间有间隙 ,间接说明了 分子之间有斥力 。
5、现代测量质量最精密的仪器是 电子天平 。
7、关于密度的概念,下列说法正确的是:C
A、 同一种物质,它的密度跟它的质量成正比,跟体积成反比
B、 把铁块压成铁片,它的密度变小了
C、 一种是实心固体,另一种是液体,只要它们的质量相等,体积相同,它们的密度一定相同
D、 质量相等的两种不同物质,体积大的密度大
8、一个空瓶装满水后的质量为64g,装满酒精后质量为56g,则空瓶的质量为 2.4×10-2 Kg,空瓶的容积为 4×10-5 m3。
9、有体积、质量都相等的铜球、铁球、铅球各一个,其中空心部分体积最大的是[ C ]
A、铜球
B、铁球
C、铅球
D、无法确定
10、下列说法正确的是[ D ]
A、 铁比棉花重
B、 把一块砖分成两等分,其密度为原来的一半
C、 密度大的物体含物质多
D、 液体的密度可能比固体的大
11、三个质量相等的实心铅球、铁球和铝球,分别放入盛有等量水的相同的量筒中,三只量筒中水面最高的是[ C ]
A、 三水面一样高
B、 放入铅球的量筒
C、 放入铝球的量筒
D、 放入铁球的量筒
12、三个同样大小、质量相等的空心球,它们分别由铝、铁、铜制成,球空心部分的体积最小的是[ A ]
A、 铝球
B、 铁球
C、 铜球
D、 一样大
13、下列说法中正确的是[ B ]
A、 密度大的物体,其质量一定大
B、 密度相等的物体,其质量不一定相等
C、 密度小的物体,其体积一定大
D、 密度相等的物体,一定是同种物质组成的...
02-25
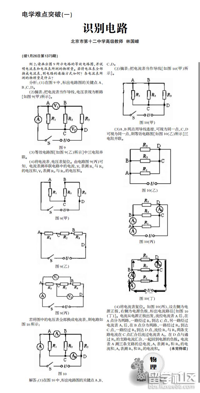
今天小编为大家提供中考物理练习题及答案:识别电路,请大家仔细阅读本文,自己做一做题目,看看哪些知识点没有弄懂,集中精力进行复习!
中考物理练习题及答案:识别电路

来源:北京考试报
小编精心为您推荐:
...
可能很多考生都会踩这样的坑,因题目太长而不会注意其中的语句,因考虑时间问题抓住重点做题,怎样才能让你的考试不踩坑呢?那就对刷刷题吧!
2019年中考物理练习题:资料阅读
1.(10分)数字式音响转录设备的出现使得音乐作品的拷贝质量近乎完美,而且轻而易举,这就造成了令人头疼的侵犯版权问题.麻省技术公司的专家们研究了数字音乐信号中人耳所能察觉和不能察觉部分的特征,发现通过微妙地调整人耳不能察觉的那部分信号,并产生一定的模式,就能将有关的版权信息编成密码,这种密码人耳听不见,电脑却能识别,从而达到判别是否盗版产品的目的.请说明其中依据了什么.
2.(10分)穿上棉衣感到暖和,是利用棉衣有效地阻止了人体产生的热向外散发,棉衣自身并不发热,而法国准备生产的一种夹克,其衣料的纤维中添加了微胶囊,这种胶囊所含的物质在常温下呈液态,在温度降低时会结晶,人们穿上它,气温较高时感到凉爽,气温较低时倍感温暖,试说明这种夹克能调节温度的道理.
3.(10分)地热是蕴藏在地球内部的天然能源,随着科学技术的发展,地热的开发利用在世界各国积极展开,能源和原材料贫乏的日本,地热已得到广泛利用.100 m以内地温一般在20℃左右,作为居室空调和道路融雪已足够了,日本普遍在地下100 m左右开采地温资源.其做法是:先打一个深100 m左右的孔,在孔内安置一套管子,外套管直径82 mm,内管直径50 mm,内外套管分别形成出水管和进水管,接在地面蛇形的散热管上,形成一个封闭的循环水路.使用前先将所有管中灌满清水,再用水泵封闭管内的清水循环.这套装置在炎热的夏天能降温,在寒冷的冬天能取暖,请你说明这套装置是如何利用地热的?
4.(10分)汽车工程师很早就知道,如果能在发动机中燃烧热值较低的燃料混合物,便能得到较高的燃烧效率,并减少污染物的生成.但是如果燃料混合物太稀薄,燃烧的速度就会变得很慢,发动机就点不着火.因此,研究火焰的燃烧机制,对于提高发动机的效率和减少空气污染,有着重要的意义.
1997年7月,“哥伦比亚”号航天飞机再次升入太空,宇航员们在23 dm3的密封室内装入氢气、氧气、氮气、二氧化碳和六氟化碳的混合气体并把它点燃,结果惊讶的发现,火焰并不是以火花塞为中心,形成一个逐渐向外扩张的火球,直到熄灭为止;而是由一个留在原地燃烧的火球迅速分裂成几个较小的火球,接着这些小的火球又逐渐地互相分离、分裂,当密封室里的燃料逐渐耗尽时,火球就开始收缩,直到熄灭.
通过阅读上面的文章,你能说出在航天飞机上做火焰实验的目的吗?航天飞机上的火焰燃烧与地面上的燃烧有什么不同?其根本原因是什么?
5.(10分)美国匹兹堡大学设计了一个热量收集系统,该系统将学生和教师释放的热能、电灯、厨房以及从窗外射入的阳光等所产生的热量,统统收集到一个中央设备中,再由地下的管道重新分散.据说,此系统在寒冷的冬季,可以供学校的10座大楼取暖之用.其实,这一系统完全可以具有双重用途,即使在炎热的夏季,还可以当做制冷设备使用,从而使大楼中的环境非常舒适.通过上面的消息,你还可以联想到周围环境中或大自然中可以利用的其他能源吗?
6.(10分)2002年6月6日《海峡都市报》刊登了《货车超限超载,国道不堪重负》一文,报道了“104国道设计使用年限15年以上,但才使用5年就大修,现已伤痕累...
2018年成人高考即将开始,小编在这里为考生们整理了2018年成人高考高起点《物理》练习题汇总,希望有所帮助,想了解更多资讯,请关注出国留学网的及时更新哦。
| 2018年成人高考高起点《物理》练习题汇总 | |
| 1 | 2018年成人高考高起点《物理》练习题(1) |
| 2 | 2018年成人高考高起点《物理》练习题(2) |
| 3 | |
2018年成人高考即将开始,小编在这里为考生们整理了2018年成人高考高起点《物理》练习题,希望有所帮助,想了解更多资讯,请关注出国留学网的及时更新哦。
2018年成人高考高起点《物理》练习题(4)
1. 下列各物理量中,哪一组皆属体系的强度性质?C
(A) H 、Vm (B) Cp 、T
(C) Vm、T (D) V、r
2.热力学第一定律的数学表达式只适用于:B
(A) 理想气体 (B) 封闭体系
(C) 孤立体系 (D) 敞开体系
3.工作在100 °C和25°C的两个大热源间的卡诺热机的效率为:A
(A) 20% (B) 25%
(C) 75% (D) 100%
4.H2和O2在绝热的钢瓶中反应生成水,在该过程中B
(A) DH=0 (B) DU=0
(C) DT=0 (D) Dp=0
5.反应H2(g)+O2(g)=H2O(g) 的恒压热效应为 DH,则该反应热为:B
(A) H2(g)的燃烧热 (B) H2O(g)的生成热
(C) H2O(l)的生成热 (D) H2O的生成热
推荐阅读:
出国留学网成人高考频道小编为您推荐:
2018年成人高考即将开始,小编在这里为考生们整理了2018年成人高考高起点《物理》练习题,希望有所帮助,想了解更多资讯,请关注出国留学网的及时更新哦。
2018年成人高考高起点《物理》练习题(3)
1.在0℃某气体1 mol占有体积为1 L,则其压力近似为 D
A、1 atm; B、76 mmHg;
C、273 atm; D、22.4 atm.
2.对比温度是代表温度T和下列哪个温度的比值?A
A、临界温度TC; B、沸腾温度Tb
C、波义尔温度TB; D、273 K.
3.当物系的压力高于大气压力时,则应采用哪一式子?B
A、绝对压 = 大气压-表压;
B、绝对压 = 大气压 + 表压;
C、绝对压 = 大气压-真空度;
D、绝对压 = 大气压 + 真空度。
4.体系的下列各组物理量中都是状态函数的是:C
(A) T,p,Q ; (B) m,Qp,V ;
(C) T,p,U ; (D) T,p,W .
5.体系的下列各物理量中哪个不是状态函数。C
(A) H ; (B) G;
(C) Q ; (D) U.
推荐阅读:
出国留学网成人高考频道小编为您推荐:
2018年成人高考即将开始,小编在这里为考生们整理了2018年成人高考高起点《物理》练习题,希望有所帮助,想了解更多资讯,请关注出国留学网的及时更新哦。
2018年成人高考高起点《物理》练习题(2)
1.双参数普遍化压缩因子图的建立是基于
A、范德华方程; B、理想气体状态方程;
C、对应状态原理; D、不同物质的特征临界参数。
2.若某实际气体的体积小于同温同压同量的理想气体的体积,则其压缩因子Z应为
A、等于零; B、等于1;
C、小于1; D、大于1.
3.在范德华(van der Waals)方程式中,把实际气体作为理想气体处理时,应引入的校正因子的数目为
A、4 ; B、3;
C、2 ; D、1.
4.气体的压力可以用不同的单位表示。在换算中,与1 atm相当的哪个换算系数不对?
A、101325 Pa ; B、1.01325 bar;
C、76 Torr; D、760 mmHg.
5.在1 atm下,当1 L气体从0℃升温到273℃时,其体积将变为
A、2.5 L ; B、2.0 L;
C、3.0 L; D、0.5 L.
参考答案:
CCCCB
推荐阅读:
出国留学网成人高考频道小编为您推荐:
2018年成人高考即将开始,小编在这里为考生们整理了2018年成人高考高起点《物理》练习题,希望有所帮助,想了解更多资讯,请关注出国留学网的及时更新哦。
2018年成人高考高起点《物理》练习题(1)
1.同温同压下同体积的各种气体具有相同的分子数“这一著名假设,最先提出者是
A、波义尔(Boyle) B、盖。吕萨克(Gay-Lussac)
C、道尔顿(Dalton) D、阿伏加德罗(Avogadro)
2.对于实际气体,处于下列哪种情况时,其行为与理想气体相近?
A、高温高压; B、高温低压;
C、低温高压; D、低温低压。
3.若空气的组成是21.0%(体积)的O2 及79%的N2,大气压力为740 mmHg.那么O2 的分压力最接近的数值为
A、300 mmHg; B、550 mmHg;
C、155 mmHg; D、284mmHg.
4.通用摩尔气体常数R的取值是
A、82.06 L.atm.K-1.mol-1;
B、8.314 J.K-1.mol-1;
C、1.987 cal.atm.K-1.mol-1;
D、0.082 cal.K-1.mol-1.
5.当用压缩因子 来讨论实际气体时,若Z>1则表示该气体
A、易于压缩; B、不易压缩;
C、易于液化 ; D、不易液化。
参考答案:
DBCBB
推荐阅读:
出国留学网成人高考频道小编为您推荐:
出国留学网高考网为大家提供2016年高考物理练习题及答案:磁场运动,更多高考理综复习资料请关注我们网站的更新!
2016年高考物理练习题及答案:磁场运动
1.关于安培力和洛伦兹力,下面的说法正确的是 ( )
A.安培力和洛伦兹力是性质完全不同的两种力
B.安培力和洛伦兹力,其本质都是磁场对运动电荷的作用力
C.安培力和洛伦兹力,二者是等价的
D.安培力对通电导体能做功,但洛伦兹力对运动电荷不能做功
解析:安培力和洛伦兹力在本质上都是磁场对运动电荷的作用力,故A错误,B正确.安培力和洛伦兹力虽然本质相同,但安培力对导体能做功而洛伦兹力对运动电荷不能做功,故C错误,D正确.
答案:BD
2.下列说法正确的是 ( )
A.电荷在磁场中一定受洛伦兹力的作用
B.运动电荷所受洛伦兹力的方向一定与粒子的运动方向垂直,但不一定与磁场的方向垂直
C.洛伦兹力对运动电荷不做功
D.如果把+q改为-q且速度反向大小不变,则洛伦兹力的大小和方向均不变
答案:CD
3.一个长直螺线管中,通有大小和方向都随时间变化的交变电流,把一个带电粒子沿管轴射入管中,则粒子将在管中 ( )
A.做匀速圆周运动 B.沿轴线来回振动
C.做匀加速直线运动 D.做匀速直线运动
解析:虽然螺线管中的电流在变化,但沿管轴的磁感线始终是一条直线,粒子的射入方向与磁场方向平行,故始终不受洛伦兹力的作用,所以粒子应做匀速直线运动.
答案:D
4.长直导线AB附近,有一带正电的小球,用绝缘丝线悬挂在M点,当导线AB通以如图6-2-8所示的恒定电流时,下列说法正确的是 ( )
A.小球受磁场力作用,方向与导线AB垂直且指向纸里
B.小球受磁场力作用,方向与导线AB垂直且指向纸外
C.小球受磁场力作用,方向与导线AB垂直向左
D.小球不受磁场力作用
解析:电场对其中的静止电荷、运动电荷都有力的作用,而磁场只对其中的运动电荷才有力的作用,且运动方向不能与磁场方向平行,所以D选项正确.
答案:D
知能提升
5.有一个电子射线管(阴极射线管),放在一通电直导线的上方,发现射线的径迹如图6-2-9所示,则此导线该如何放置,且电流的流向如何 ( )
A.直导线如图所示位置放置,电流从A流向B
B.直导线如图所示位置放置,电流从B流向A
C.直导线垂直于纸面放置,电流流向纸内
D.直导线垂直于纸面放置,电流流向纸外
解析:负电荷向下偏转,由左手定则可判断导线AB上方的磁场方向垂直纸面向里,由安培定则知导线应按图示位置放置且导线中的电流方向从B流向A,故B正确,A、C、D错误.
答案:B
6.某空间存在着如图6-2...
物理练习题推荐访问